NNG1 (M) سلسلة مكافحة التداخل
CLION
| توافر الحالة: | |
|---|---|
| الكمية: | |
تلعب مبادرات الحالة الصلبة المضادة للمؤتمرات (SSR) دورًا مهمًا في مجال التحكم الصناعي بسبب أدائها الممتاز.
يستخدم SSR المضاد للداخل تصميمًا متقدمًا لمقاومة التداخل الكهرومغناطيسي (EMI) بشكل فعال وتداخل التردد الراديوي (RFI). نظرًا لأن SSRs تعمل على أساس أجهزة أشباه الموصلات ، فإنها لا تولد الحقول الكهرومغناطيسية نفسها مقارنة بالمرحلات الميكانيكية التقليدية ، لذلك فهي أقل حساسية للتداخل الكهرومغناطيسي الخارجي. تعتبر هذه الميزة مهمة بشكل خاص في البيئات الصناعية ، حيث يمكن أن يكون للإشعاع الكهرومغناطيسي الناتج عن أجهزة مثل المحركات ، والمرحلات ، والمزولات ، وما إلى ذلك ، تأثير على المرحلات الميكانيكية التقليدية ، في حين أن SSRs أكثر قدرة على تحمل هذا التداخل.
تشتهر SSR بدورة الحياة الطويلة. من الناحية النظرية ، إذا لم يتجاوز التيار 1/3 من التصنيف ، في حالة عدم وجود الجهد الزائد ، ودرجة الحرارة المرتفعة وتبديد الحرارة الطبيعي ، يمكن استخدام SSR لمدة 5-10 سنوات على الأقل. مكونه الأساسي الداخلي هو Thyristor ، الذي ينتمي إلى مكونات أشباه الموصلات ، ومن الناحية النظرية ، يمكن أن يصل عدد أوقات التشغيل إلى 10 إلى السلطة الثانية عشرة ، حيث تجاوز بكثير 10 إلى 5th Power of AC AC العاديين.
لا يوجد لدى SSR أجزاء ميكانيكية متحركة ، لذلك لا يوجد أي عمل ميكانيكي في العمل ، وله مزايا على EMR ، مثل مقاومة الصدمات ومقاومة الصدمة الميكانيكية. هذه الخاصية تجعل عمل SSR ثابتًا حتى في بيئة التأثير العالي والاهتزاز. نظرًا للخصائص المتأصلة للمكونات التي تشكل SSR ، يتم تحديد الحياة الطويلة والموثوقية العالية لـ SSR.
تم تصميم SSR مع وضع سهولة المستخدم في الاعتبار. عادة ما يدعمون الاتصالات المختلفة وطرق التثبيت مثل تصاعد اللوحة والسكك الحديدية ، وكذلك صفائح السيليكون الحرارية كمعيار ، ولديها نظام ملحق كامل مثل مراكز السكك الحديدية المبرد والسكك الحديدية ، وهو سهل الاستخدام للغاية.
يعد الأمن المقاوم للعبث لـ SSR ميزة مهمة أيضًا. عادة ما يكون لديهم تحديد واضح لنهاية التحكم ونهاية التحميل لضمان سلامة اتصال المستخدم. يساعد هذا التصميم في منع الوصول غير المصرح به والعبث ، خاصة في التطبيقات التي يكون فيها الأمان أمرًا بالغ الأهمية.
باختصار ، توفر SSR المضادة للداخل حلاً موثوقًا به في تطبيقات الأتمتة والتحكم الصناعية مع موثوقيتها العالية ، وعمرها الطويل ، ومقاومة الصدمة والاهتزاز ، وسهولة الاستخدام ، والأمان المقاوم للعبث.
| السيطرة على الجهد | 3-32VDC |
| السيطرة على التيار | 6-25MA |
| الجهد المتصل | 3VDC |
| جهد الإيقاف | 1VDC |
| تحميل الجهد | 22: 24-240VAC 38: 24-440VAC |
| تحميل التيار | 10a ، 15a ، 20a ، 25a ، 30a ، 40a ، 60a ، 80a ، 100a |
| درجة الحرارة المحيطة | -30 ~ 80 ℃ |
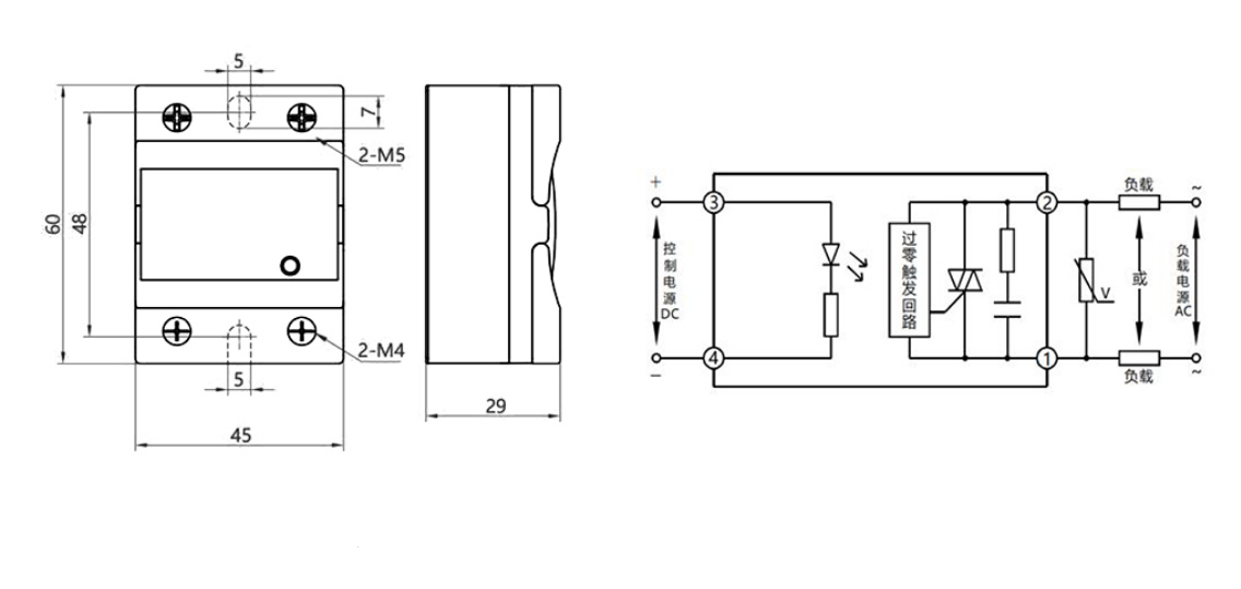
| البعد | 60 × 45 × 29mm |
تلعب مبادرات الحالة الصلبة المضادة للمؤتمرات (SSR) دورًا مهمًا في مجال التحكم الصناعي بسبب أدائها الممتاز.
يستخدم SSR المضاد للداخل تصميمًا متقدمًا لمقاومة التداخل الكهرومغناطيسي (EMI) بشكل فعال وتداخل التردد الراديوي (RFI). نظرًا لأن SSRs تعمل على أساس أجهزة أشباه الموصلات ، فإنها لا تولد الحقول الكهرومغناطيسية نفسها مقارنة بالمرحلات الميكانيكية التقليدية ، لذلك فهي أقل حساسية للتداخل الكهرومغناطيسي الخارجي. تعتبر هذه الميزة مهمة بشكل خاص في البيئات الصناعية ، حيث يمكن أن يكون للإشعاع الكهرومغناطيسي الناتج عن أجهزة مثل المحركات ، والمرحلات ، والمزولات ، وما إلى ذلك ، تأثير على المرحلات الميكانيكية التقليدية ، في حين أن SSRs أكثر قدرة على تحمل هذا التداخل.
تشتهر SSR بدورة الحياة الطويلة. من الناحية النظرية ، إذا لم يتجاوز التيار 1/3 من التصنيف ، في حالة عدم وجود الجهد الزائد ، ودرجة الحرارة المرتفعة وتبديد الحرارة الطبيعي ، يمكن استخدام SSR لمدة 5-10 سنوات على الأقل. مكونه الأساسي الداخلي هو Thyristor ، الذي ينتمي إلى مكونات أشباه الموصلات ، ومن الناحية النظرية ، يمكن أن يصل عدد أوقات التشغيل إلى 10 إلى السلطة الثانية عشرة ، حيث تجاوز بكثير 10 إلى 5th Power of AC AC العاديين.
لا يوجد لدى SSR أجزاء ميكانيكية متحركة ، لذلك لا يوجد أي عمل ميكانيكي في العمل ، وله مزايا على EMR ، مثل مقاومة الصدمات ومقاومة الصدمة الميكانيكية. هذه الخاصية تجعل عمل SSR ثابتًا حتى في بيئة التأثير العالي والاهتزاز. نظرًا للخصائص المتأصلة للمكونات التي تشكل SSR ، يتم تحديد الحياة الطويلة والموثوقية العالية لـ SSR.
تم تصميم SSR مع وضع سهولة المستخدم في الاعتبار. عادة ما يدعمون الاتصالات المختلفة وطرق التثبيت مثل تصاعد اللوحة والسكك الحديدية ، وكذلك صفائح السيليكون الحرارية كمعيار ، ولديها نظام ملحق كامل مثل مراكز السكك الحديدية المبرد والسكك الحديدية ، وهو سهل الاستخدام للغاية.
يعد الأمن المقاوم للعبث لـ SSR ميزة مهمة أيضًا. عادة ما يكون لديهم تحديد واضح لنهاية التحكم ونهاية التحميل لضمان سلامة اتصال المستخدم. يساعد هذا التصميم في منع الوصول غير المصرح به والعبث ، خاصة في التطبيقات التي يكون فيها الأمان أمرًا بالغ الأهمية.
باختصار ، توفر SSR المضادة للداخل حلاً موثوقًا به في تطبيقات الأتمتة والتحكم الصناعية مع موثوقيتها العالية ، وعمرها الطويل ، ومقاومة الصدمة والاهتزاز ، وسهولة الاستخدام ، والأمان المقاوم للعبث.
| السيطرة على الجهد | 3-32VDC |
| السيطرة على التيار | 6-25MA |
| الجهد المتصل | 3VDC |
| جهد الإيقاف | 1VDC |
| تحميل الجهد | 22: 24-240VAC 38: 24-440VAC |
| تحميل التيار | 10a ، 15a ، 20a ، 25a ، 30a ، 40a ، 60a ، 80a ، 100a |
| درجة الحرارة المحيطة | -30 ~ 80 ℃ |
| البعد | 60 × 45 × 29mm |