NNC68A
CLION
| توافر الحالة: | |
|---|---|
| الكمية: | |
يعتبر المرحل الكهرومغناطيسي LY2 جهازًا كهربائيًا متقدمًا يوفر العديد من الميزات الرئيسية للتشغيل الفعال والموثوق.مزود بمؤشر SMD LED، يوفر هذا المرحل تعليقات مرئية، مما يسمح للمستخدمين بتحديد حالته بسهولة.يعمل مؤشر LED على تحسين راحة المرحل وسهولة استخدامه، خاصة في التطبيقات التي تتطلب مراقبة سريعة.
إحدى الميزات البارزة لمرحل LY2 هي كفاءته العالية بسبب دمج المثبات المعدني.يضمن المثبات المعدني اتصالاً آمنًا ومستقرًا بين الملف وجهات الاتصال، مما يقلل من فقدان الطاقة ويزيد من الأداء الإجمالي للمرحل.تجعل هذه الميزة مرحل LY2 خيارًا مثاليًا للتطبيقات التي تتطلب كفاءة عالية واستخدامًا مثاليًا للطاقة.
علاوة على ذلك، يتميز مرحل LY2 بعمر خدمة أطول بفضل ملفه النحاسي.يوفر الملف النحاسي توصيلًا فائقًا وتبديدًا للحرارة، مما يؤدي إلى تقليل التآكل بمرور الوقت.يضمن عمر الخدمة الممتد هذا موثوقية ومتانة مرحل LY2، مما يجعله مناسبًا للاستخدام طويل الأمد في مختلف البيئات الصعبة.
يتمتع مرحل LY2 أيضًا بقدرة تيار تحويل عالية، مما يسمح له بالتعامل مع الأحمال الكهربائية الكبيرة بفعالية.بفضل الحد الأقصى لتصنيف تيار التحويل، يمكن لهذا المرحل التحكم في الدوائر عالية الطاقة وتنظيمها دون أي مشاكل.هذه الميزة تجعل مرحل LY2 مناسبًا للتطبيقات التي تتطلب إدارة تيارات كهربائية كبيرة.
وأخيرًا، يوفر المرحل الكهرومغناطيسي LY2 ميزة لوحة الاسم القابلة للتخصيص، مما يسمح بوضع العلامات والتعريف الشخصي.تضمن هذه الميزة سهولة التعرف على المرحل وتنظيمه في التطبيقات المختلفة.من خلال لوحة الاسم القابلة للتخصيص، يمكن للمستخدمين تسمية المرحل بسهولة وفقًا لمتطلباتهم المحددة، مما يعزز الكفاءة الإجمالية وسهولة الاستخدام.
باختصار، يعتبر المرحل الكهرومغناطيسي LY2 جهازًا عالي الكفاءة وموثوقًا يشتمل على العديد من الميزات الرئيسية لتحقيق الأداء الأمثل.بفضل مؤشر SMD LED الخاص به، والمثبت المعدني لتحقيق كفاءة أعلى، والملف النحاسي لعمر خدمة أطول، وقدرة تيار تحويل عالية، وزر اختبار قابل للقفل لسهولة التشغيل، يعد مرحل LY2 مكونًا متعدد الاستخدامات مناسبًا لمختلف التطبيقات في مختلف الصناعات.
تيار منخفض، جهد منخفض
يمكن أن يكون خيارك الأول
NNC68AVL (JQX-13F) مرحل للأغراض العامة |
| ||||
النموذج والوصف | |||||
| NNC68AVL-2Z | |||||
★نموذج الاتصال: H=NO، D=NC، Z=NO&NC | |||||
تخصيص | |||||
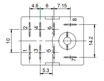
البعد | 27.3 ملم * 21 ملم * 35 ملم | ||||
ميزة الاتصال | استمارة | 2Z(DPDT)؛2H(DPST-NO)؛2D(DPST-NC) | |||
معدل الحمولة | 12 أ | ||||
ماكس تبديل الجهد | 240 فولت تيار متردد/28 فولت تيار مستمر | ||||
مقاومة التواصل | ≥100mΩ | ||||
مادة | سبائك Ag (AgSnO2) | ||||
الحياة الكهربائية | ≥1*105 | ||||
الحياة الميكانيكية | ≥1*107 | ||||
جهد التشغيل (23 درجة مئوية) | تيار مستمر: ≥75%*الجهد المقنن، التيار المتردد: ≥80%*الجهد المقنن | ||||
إطلاق الجهد (23 درجة مئوية) | تيار مستمر: ≥10%*الجهد المقنن، التيار المتردد: ≥30%*الجهد المقنن | ||||
الحد الأقصى للجهد (23 درجة مئوية) | 110%*الجهد المقنن | ||||
لفائف الجهد | DC6-220V، AC6-380V (يسمح بالتخصيص) | ||||
قوة الملف | تيار مستمر: 0.9 واط، تيار متردد: 1.2 فولت أمبير | ||||
اختار المعاد | ≥15 مللي ثانية | ||||
وقت الافراج | ≥10 مللي ثانية | ||||
قوة عازلة | بين الاتصالات المفتوحة من نفس القطب | 1000VAC لمدة 1 دقيقة | |||
بين جهات الاتصال ذات القطب المختلف | 1000VAC لمدة 1 دقيقة | ||||
بين الاتصالات والملف | 1500 فولت تيار متردد لمدة دقيقة واحدة/4500 فولت تيار متردد لمدة دقيقة واحدة | ||||
مقاومة العزل | ≥100mΩ (500VDC) | ||||
درجة الحرارة المحيطة | -40 درجة مئوية ~ 85 درجة مئوية | ||||
الرطوبة المحيطة | 45%-75% ر | ||||
الضغط الجوي | 86-106 كيلو باسكال | ||||
مقاومة الصدمات | 10G (نبض نصف موجة جيبية: 11 مللي ثانية) | ||||
مقاومة الاهتزاز | 10-55 هرتز (السعة المزدوجة: 1.5 ملم) | ||||
تثبيت | ثنائي الفينيل متعدد الكلور أو المقبس مع السكك الحديدية DIN | ||||
وزن | تقريبا.35 جرام/قطع | ||||
التعبئة | كرتون مع صندوق ورقي بالداخل | 600 قطعة/كرتون، GW: 21 كجم، NW 20 كجم، الأبعاد (مم): 330 × 310 × 345 | |||
البعد | 27.3 ملم * 21 ملم * 35 ملم | ||||
مخطط الأسلاك وعرض القاع | |||||
الرسم البياني للأداء | |||||
يعتبر المرحل الكهرومغناطيسي LY2 جهازًا كهربائيًا متقدمًا يوفر العديد من الميزات الرئيسية للتشغيل الفعال والموثوق.مزود بمؤشر SMD LED، يوفر هذا المرحل تعليقات مرئية، مما يسمح للمستخدمين بتحديد حالته بسهولة.يعمل مؤشر LED على تحسين راحة المرحل وسهولة استخدامه، خاصة في التطبيقات التي تتطلب مراقبة سريعة.
إحدى الميزات البارزة لمرحل LY2 هي كفاءته العالية بسبب دمج المثبات المعدني.يضمن المثبات المعدني اتصالاً آمنًا ومستقرًا بين الملف وجهات الاتصال، مما يقلل من فقدان الطاقة ويزيد من الأداء الإجمالي للمرحل.تجعل هذه الميزة مرحل LY2 خيارًا مثاليًا للتطبيقات التي تتطلب كفاءة عالية واستخدامًا مثاليًا للطاقة.
علاوة على ذلك، يتميز مرحل LY2 بعمر خدمة أطول بفضل ملفه النحاسي.يوفر الملف النحاسي توصيلًا فائقًا وتبديدًا للحرارة، مما يؤدي إلى تقليل التآكل بمرور الوقت.يضمن عمر الخدمة الممتد هذا موثوقية ومتانة مرحل LY2، مما يجعله مناسبًا للاستخدام طويل الأمد في مختلف البيئات الصعبة.
يتمتع مرحل LY2 أيضًا بقدرة تيار تحويل عالية، مما يسمح له بالتعامل مع الأحمال الكهربائية الكبيرة بفعالية.بفضل الحد الأقصى لتصنيف تيار التحويل، يمكن لهذا المرحل التحكم في الدوائر عالية الطاقة وتنظيمها دون أي مشاكل.هذه الميزة تجعل مرحل LY2 مناسبًا للتطبيقات التي تتطلب إدارة تيارات كهربائية كبيرة.
وأخيرًا، يوفر المرحل الكهرومغناطيسي LY2 ميزة لوحة الاسم القابلة للتخصيص، مما يسمح بوضع العلامات والتعريف الشخصي.تضمن هذه الميزة سهولة التعرف على المرحل وتنظيمه في التطبيقات المختلفة.من خلال لوحة الاسم القابلة للتخصيص، يمكن للمستخدمين تسمية المرحل بسهولة وفقًا لمتطلباتهم المحددة، مما يعزز الكفاءة الإجمالية وسهولة الاستخدام.
باختصار، يعتبر المرحل الكهرومغناطيسي LY2 جهازًا عالي الكفاءة وموثوقًا يشتمل على العديد من الميزات الرئيسية لتحقيق الأداء الأمثل.بفضل مؤشر SMD LED الخاص به، والمثبت المعدني لتحقيق كفاءة أعلى، والملف النحاسي لعمر خدمة أطول، وقدرة تيار تحويل عالية، وزر اختبار قابل للقفل لسهولة التشغيل، يعد مرحل LY2 مكونًا متعدد الاستخدامات مناسبًا لمختلف التطبيقات في مختلف الصناعات.
تيار منخفض، جهد منخفض
يمكن أن يكون خيارك الأول
NNC68AVL (JQX-13F) مرحل للأغراض العامة |
| ||||
النموذج والوصف | |||||
| NNC68AVL-2Z | |||||
★نموذج الاتصال: H=NO، D=NC، Z=NO&NC | |||||
تخصيص | |||||
البعد | 27.3 ملم * 21 ملم * 35 ملم | ||||
ميزة الاتصال | استمارة | 2Z(DPDT)؛2H(DPST-NO)؛2D(DPST-NC) | |||
معدل الحمولة | 12 أ | ||||
ماكس تبديل الجهد | 240 فولت تيار متردد/28 فولت تيار مستمر | ||||
مقاومة التواصل | ≥100mΩ | ||||
مادة | سبائك Ag (AgSnO2) | ||||
الحياة الكهربائية | ≥1*105 | ||||
الحياة الميكانيكية | ≥1*107 | ||||
جهد التشغيل (23 درجة مئوية) | تيار مستمر: ≥75%*الجهد المقنن، التيار المتردد: ≥80%*الجهد المقنن | ||||
إطلاق الجهد (23 درجة مئوية) | تيار مستمر: ≥10%*الجهد المقنن، التيار المتردد: ≥30%*الجهد المقنن | ||||
الحد الأقصى للجهد (23 درجة مئوية) | 110%*الجهد المقنن | ||||
لفائف الجهد | DC6-220V، AC6-380V (يسمح بالتخصيص) | ||||
قوة الملف | تيار مستمر: 0.9 واط، تيار متردد: 1.2 فولت أمبير | ||||
اختار المعاد | ≥15 مللي ثانية | ||||
وقت الافراج | ≥10 مللي ثانية | ||||
قوة عازلة | بين الاتصالات المفتوحة من نفس القطب | 1000VAC لمدة 1 دقيقة | |||
بين جهات الاتصال ذات القطب المختلف | 1000VAC لمدة 1 دقيقة | ||||
بين الاتصالات والملف | 1500 فولت تيار متردد لمدة دقيقة واحدة/4500 فولت تيار متردد لمدة دقيقة واحدة | ||||
مقاومة العزل | ≥100mΩ (500VDC) | ||||
درجة الحرارة المحيطة | -40 درجة مئوية ~ 85 درجة مئوية | ||||
الرطوبة المحيطة | 45%-75% ر | ||||
الضغط الجوي | 86-106 كيلو باسكال | ||||
مقاومة الصدمات | 10G (نبض نصف موجة جيبية: 11 مللي ثانية) | ||||
مقاومة الاهتزاز | 10-55 هرتز (السعة المزدوجة: 1.5 ملم) | ||||
تثبيت | ثنائي الفينيل متعدد الكلور أو المقبس مع السكك الحديدية DIN | ||||
وزن | تقريبا.35 جرام/قطع | ||||
التعبئة | كرتون مع صندوق ورقي بالداخل | 600 قطعة/كرتون، GW: 21 كجم، NW 20 كجم، الأبعاد (مم): 330 × 310 × 345 | |||
البعد | 27.3 ملم * 21 ملم * 35 ملم | ||||
مخطط الأسلاك وعرض القاع | |||||
الرسم البياني للأداء | |||||