مايكرو سويتش نيفادا
CLION
| توافر الحالة: | |
|---|---|
| الكمية: | |
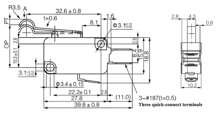
Micro Switch NV-16W هو محول عالي الأداء يتضمن العديد من الميزات الرئيسية لتلبية المتطلبات المختلفة.المفاتيح الصغيرة هي مفاتيح إلكترونية شائعة الاستخدام تعمل بناءً على آلية تشغيل ميكانيكية.وهي تتكون عادةً من زنبرك ومحرك متحرك.
عندما يتم تطبيق قوة خارجية على المشغل، فإنه يتحرك ثم يعود إلى موضعه الأولي بسبب قوة الزنبرك.تؤدي حركة المشغل إلى فتح أو إغلاق نقاط الاتصال الداخلية للمفتاح، وبالتالي التحكم في حالة تشغيل/إيقاف الدائرة.
يمكن أن يكون لمشغل المفتاح الصغير أشكال وأطوال مختلفة لاستيعاب متطلبات التطبيقات المختلفة.يمكن أن تكون كرة أو قضيبًا مسطحًا أو قضيبًا بارزًا.اعتمادًا على شكل المشغل وموضعه، يمكن للمفاتيح الصغيرة تحقيق طرق تشغيل وخصائص عمل مختلفة.
يعد Micro Switch NV-16W محولًا متطورًا يجمع بين الميزات المتقدمة لتلبية مجموعة واسعة من المتطلبات.بفضل تصميم الرافعة الدوارة المحاكية، يضمن هذا المفتاح عالي الأداء تشغيلًا دقيقًا وموثوقًا.إنه يعمل عن طريق استخدام رافعة تحرك بكرة محاكاة مقابل مجموعة من نقاط الاتصال، مما يسمح بالتحكم والكشف الدقيق.
والجدير بالذكر أن المفتاح الصغير NV-16W يتميز بقدرة رائعة على التعامل مع تيار تحويل يصل إلى 21 أمبير.هذه الإمكانية تجعلها خيارًا ممتازًا لتطبيقات الخدمة الشاقة في الآلات الصناعية وأنظمة توزيع الطاقة وقطاعات السيارات.يضمن المفتاح أداءً موثوقًا وطول العمر حتى في ظل الظروف الصعبة.
تعد الموثوقية والحساسية العالية والعمر الطويل من السمات الرئيسية للمفتاح الصغير NV-16W.ويتضمن تركيبه مواد ومكونات عالية الجودة، مما يضمن المتانة والتشغيل المتسق في البيئات القاسية.تتيح الحساسية العالية للمفتاح اكتشاف حتى أدنى قوة أو حركة، مما يجعله مناسبًا للتطبيقات التي تتطلب تحكمًا أو اكتشافًا دقيقًا.تعمل هذه الحساسية على تحسين أداء النظام من خلال تمكين التبديل الدقيق والسريع الاستجابة.
يجد المفتاح الصغير NV-16W استخدامًا واسع النطاق في مختلف الصناعات والقطاعات.ويشيع استخدامه في الأتمتة الصناعية، والروبوتات، وأنظمة توزيع الطاقة، وتطبيقات السيارات، من بين أمور أخرى.إن تعدد استخداماته وسعة تيار التحويل العالية والموثوقية والحساسية والعمر الطويل يجعله خيارًا مثاليًا للتطبيقات التي تتطلب تحكمًا دقيقًا وتبديلًا للخدمة الشاقة وأداء طويل الأمد.
في الختام، يعد Micro Switch NV-16W مفتاحًا متقدمًا يشتمل على تصميم محاكاة لرافعة دوارة، مما يوفر الموثوقية والحساسية العالية والعمر الطويل.إن قدرته على التعامل مع ما يصل إلى 21 أمبير من تيار التحويل تجعله مثاليًا للتطبيقات الثقيلة.يعد المفتاح الصغير NV-16W حلاً يمكن الاعتماد عليه ومتعدد الاستخدامات للتطبيقات التي تتطلب تحكمًا دقيقًا وتبديل تيار عالي وأداء طويل الأمد.
Micro Switch NV-16W هو محول عالي الأداء يتضمن العديد من الميزات الرئيسية لتلبية المتطلبات المختلفة.المفاتيح الصغيرة هي مفاتيح إلكترونية شائعة الاستخدام تعمل بناءً على آلية تشغيل ميكانيكية.وهي تتكون عادةً من زنبرك ومحرك متحرك.
عندما يتم تطبيق قوة خارجية على المشغل، فإنه يتحرك ثم يعود إلى موضعه الأولي بسبب قوة الزنبرك.تؤدي حركة المشغل إلى فتح أو إغلاق نقاط الاتصال الداخلية للمفتاح، وبالتالي التحكم في حالة تشغيل/إيقاف الدائرة.
يمكن أن يكون لمشغل المفتاح الصغير أشكال وأطوال مختلفة لاستيعاب متطلبات التطبيقات المختلفة.يمكن أن تكون كرة أو قضيبًا مسطحًا أو قضيبًا بارزًا.اعتمادًا على شكل المشغل وموضعه، يمكن للمفاتيح الصغيرة تحقيق طرق تشغيل وخصائص عمل مختلفة.
يعد Micro Switch NV-16W محولًا متطورًا يجمع بين الميزات المتقدمة لتلبية مجموعة واسعة من المتطلبات.بفضل تصميم الرافعة الدوارة المحاكية، يضمن هذا المفتاح عالي الأداء تشغيلًا دقيقًا وموثوقًا.إنه يعمل عن طريق استخدام رافعة تحرك بكرة محاكاة مقابل مجموعة من نقاط الاتصال، مما يسمح بالتحكم والكشف الدقيق.
والجدير بالذكر أن المفتاح الصغير NV-16W يتميز بقدرة رائعة على التعامل مع تيار تحويل يصل إلى 21 أمبير.هذه الإمكانية تجعلها خيارًا ممتازًا لتطبيقات الخدمة الشاقة في الآلات الصناعية وأنظمة توزيع الطاقة وقطاعات السيارات.يضمن المفتاح أداءً موثوقًا وطول العمر حتى في ظل الظروف الصعبة.
تعد الموثوقية والحساسية العالية والعمر الطويل من السمات الرئيسية للمفتاح الصغير NV-16W.ويتضمن تركيبه مواد ومكونات عالية الجودة، مما يضمن المتانة والتشغيل المتسق في البيئات القاسية.تتيح الحساسية العالية للمفتاح اكتشاف حتى أدنى قوة أو حركة، مما يجعله مناسبًا للتطبيقات التي تتطلب تحكمًا أو اكتشافًا دقيقًا.تعمل هذه الحساسية على تحسين أداء النظام من خلال تمكين التبديل الدقيق والسريع الاستجابة.
يجد المفتاح الصغير NV-16W استخدامًا واسع النطاق في مختلف الصناعات والقطاعات.ويشيع استخدامه في الأتمتة الصناعية، والروبوتات، وأنظمة توزيع الطاقة، وتطبيقات السيارات، من بين أمور أخرى.إن تعدد استخداماته وسعة تيار التحويل العالية والموثوقية والحساسية والعمر الطويل يجعله خيارًا مثاليًا للتطبيقات التي تتطلب تحكمًا دقيقًا وتبديلًا للخدمة الشاقة وأداء طويل الأمد.
في الختام، يعد Micro Switch NV-16W مفتاحًا متقدمًا يشتمل على تصميم محاكاة لرافعة دوارة، مما يوفر الموثوقية والحساسية العالية والعمر الطويل.إن قدرته على التعامل مع ما يصل إلى 21 أمبير من تيار التحويل تجعله مثاليًا للتطبيقات الثقيلة.يعد المفتاح الصغير NV-16W حلاً يمكن الاعتماد عليه ومتعدد الاستخدامات للتطبيقات التي تتطلب تحكمًا دقيقًا وتبديل تيار عالي وأداء طويل الأمد.